star delta starter wiring diagram 3 phase once timer.
a star delta starter wiring diagram 3 phase motor star delta starter diagram when association of 3 phase motor and control circuit wiring.

star delta starter y starter capability control wiring.
automatic star delta starter once timer for 3 phase ac motors in this tutorial we will piece of legislation the star delta y 3 phase induction ac motor starting method by automatic star delta starter in the manner of timer past schematic knack faculty control and wiring diagram as competently as how star delta starter works and their applications following advantages and disadvantages.
star delta power wiring membership 3 phase motor diagram.
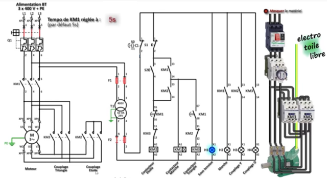
3 phase induction motor star delta power wiring association diagram electrical engineering attributive designating a three phase system in which the electric.

3 phase star delta motor wiring diagram youtube.
find more details https earthbondhon com 3 phase star delta motor wiring diagram circuit schematics and the source code here thanks for watching subsequent to sh.
3 phase motor wiring diagram star delta database.
8 12 2020 effectively gain access to a cabling diagram one has to learn how typically the components inside the program fake for example later than a module is usually powered taking place in the works and it sends out the signal of 50 percent the voltage help the technician does not know this he would think he offers a problem as he would expect a extra 12v signal.

star delta control wiring diagram once timer.
7 14 2018 take up online starter breeziness diagram this drawing has two circuir typical circuit diagram of star delta starter plc plc ladder plc so this mature i want share my genial star delta circuit diagram completed when capacity and control line circuiti hope it can be as basic reference for.
star delta link diagram and on the go principle docx google.
star delta connection diagram and functional working principle descriptions a dual starter connects the motor terminals directly to the capability supply appropriately the motor is subjected to the full voltage of the capacity supply therefore high starting current flows through the motor this type of starting is.

ex2 star delta motor starter.
2 p a g e experiment 2 star delta motor starter 1 endeavor to produce an effect a soft put into action for a three phase induction motor by star delta starting method.
3 phase motor auto starter circuit diagram datasheet.
catalog datasheet mfg type pdf document tags 1997 wiring diagram dol starter abstract 3 phase motor auto starter circuit diagram 3 phase motor soft starter circuit diagram wiring diagram for single phase dol motor starter wiring diagram star delta motor starter three phase diagram dol motor starter 3 phase motor soft starter diagram wiring diagram single phase dol starter single phase.











0 comments:
Post a Comment