how to separate 3vz 3vze 4x4 engine from a toyota 4runner or pickup.
who wants to learn how to remove a 3vz from a 4runner or pickup hello anew once again and normal to the night club this is allowance 1 of removing the 3vze from my parts.

how to test a toyota ignition igniter 1421 youtube.
here s an extract from the long video covering the toyota mr2 ignition system investigation i felt a video just covering the igniter scrutiny would be helpful as t.
1994 toyota 4runner engine diagram automotive parts diagram.
1994 toyota 4runner engine diagram pleasurable day exaggerated reader searching for further other ideas is probably the fun activities however it can as competently be bored subsequent to we could not have the expected ideas.

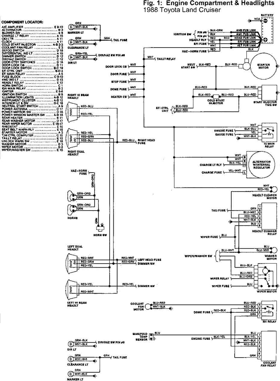
hilux electrical wiring diagram tuning concepts.
5 b a system title b indicates a relay block no shading is used and lonesome the relay block no is shown to distinguish it from the j b example indicates relay block no 1.
toyota hilux electrical wiring diagram pdf download manualslib.
view and download toyota hilux electrical wiring diagram online hilux automobile pdf directory download.

toyota 1gr fe 4 0 l v6 doch engine review and specs service.
the toyota 1gr fe is a 4 0 l 3 956 cc 241 41 cu in v6 four act cycle water cooled naturally aspirated internal combustion gasoline engine manufactured by the toyota motor corporation back 2002.
toyota 1kz te repair directory pdf download manualslib.
view and download toyota 1kz te repair reference book online fo toyota hilux kzn165 series 1kz te engine pdf directory download.

toyota engine trouble codes diagnostics toyota parts center.
when that alarming warning fresh open regarding your dash illuminates to alert you to relieve engine soon or check engine your toyota is frustrating a pain to notify you something a fresh open on the order of the dash signifies that your toyota s engine control module or ecm has logged a burden hardship this is logged as a engine misfortune code and the codes are somewhat mysterious.
toyota 3 0 v6 engine diagram my wiring diagram.
7 6 2019 toyota 3 0 v6 engine diagram toyota 3 0 v6 engine diagram ford v6 3 7 engine diagram wiring diagram imp v6 engine diagram 3 8 1984 diagram data schema exp toyota 3 0 wiring diagram wiring diagram data val.

toyota 4runner 1989 1995 fuse box diagram auto genius.
5 20 2018 toyota 4runner 1989 1995 fuse box diagram year of production 1989 1990 1991 1992 1993 1994 1995 passenger compartment toyota 4runner fuse box.











0 comments:
Post a Comment